一、产品介绍
BND-S30K-80激光功率计探头适用于测量高功率密度的激光,水冷却模式下最大持续测量功率可达30kW,具有ɸ80mm的探测口径。
二、产品特征
· 锥体结构
· 水冷模式
· 80mm探测口径
· PC端USB接口输出可选
· 最大连续测量功率可达30kW
三、产品参数
| 型号 | BND-S30K-80 |
| 吸光范围(μm) | 0.8 - 25 |
| 最大功率(kW) | 30 |
| 吸收体类型 | PT |
| 探测口径(mm) | 80 |
| 最大平均功率密度 | 10kW/cm² |
| 入射光束照射要求 | 为避免收集器受损坏,对入射光束照射位置与倾斜角度提出如下要求: ①入射光束中心应照射在探头锥体中心,最大位置偏移量不超过光斑直径的1/4。 ②入射光束最大倾斜角度±5度。 |
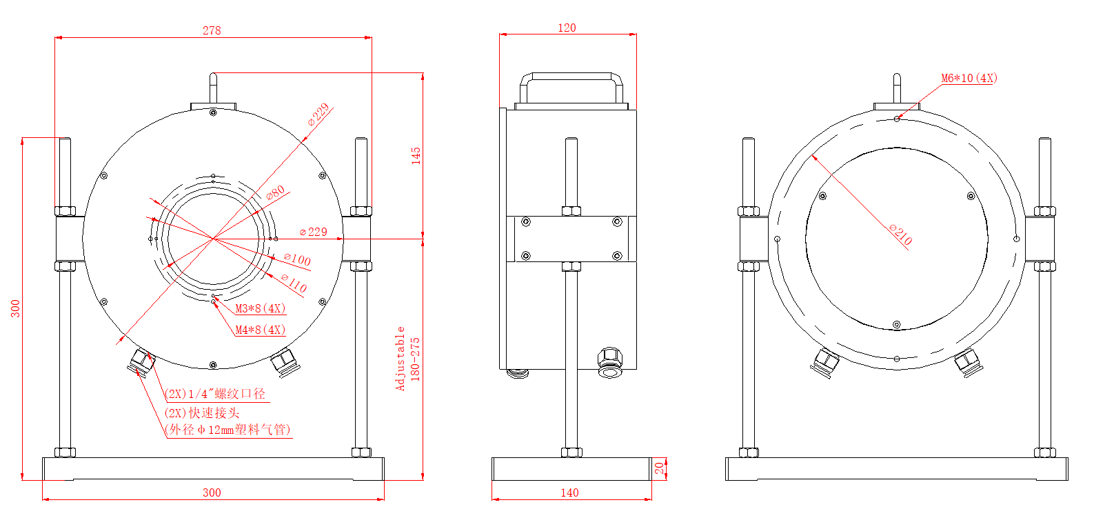
| 规格(mm) | Φ229 × 120 |
| 冷却方式 | 水冷 |
| 冷却水流量(L/min) | 8 - 15 |
四、尺寸

